NT 48/1

59789930 (05/25)

59789930 (05/25)
ANTES DE LA PRIMERA PUESTA EN MARCHA DEL APARATO DEBERÁN OBSERVARSE LOS SIGUIENTES PUNTOS
Informe de inmediato a su distribuidor si hay daños de transporte.
Extraiga el accesorio al completo del embalaje.
La máquina no es apta para aspirar polvos peligrosos como el amianto. Póngase en contacto con su sucursal o distribuidor de KÄRCHER para realizar consultas sobre este tipo de usos.
CONSERVE ESTAS INSTRUCCIONES
Esta aspiradora está diseñada para el uso industrial.
INSTRUCCIONES DE SEGURIDADEn caso de utilizar herramientas eléctricas acopladas al aparato, deberán observarse estrictamente todas las normas de seguridad básicas, a fin de prevenir cualquier riesgo de incendio, descargas eléctricas o daños o lesiones del personal encargado de manipular los mismos:
Antes de retirar la cubierta, realizar los trabajos de mantenimiento y durante la inactividad, DESCONECTOR LA ASPIRADORA DEL CIRCUITO PRINCIPAL.
NO DEJAR la máquina sin supervisión si el conector está conectado.
COMPROBAR siempre si hay daños o síntomas de envejecimiento en EL CABLE DE CONEXIÓN DE RED antes de cada utilización.
NO TIRAR O SOSTENER LA ASPIRADORA EN EL CABLE DE RED. No aprisionar el cable con una puerta o extender alrededor de bordes afilados.
MANTENER EL CABLE DE CONEXIÓN DE RED ALEJADO DEL CALOR Y EL ACEITE. No dejar tirado el cable de conexión de red tras finalizar el trabajo. Puede representar un peligro.
NO DEJAR QUE LA ASPIRADORA SE ENROLLE ALREDEDOR DEL CABLE DE CONEXIÓN DE RED.
Antes de extraer el conector de red, DESCONECTAR EL CONECTOR.
NO TIRAR DEL CONECTOR DE RED TIRANDO DE LA TOMA DE TIERRA DEL CABLE DE CONEXIÓN DE RED. Para desconectar la red eléctrica, tirar del conector de red, no del cable de conexión de red.
NO TORCAR EL CONECTOR DE RED CON MANOS MOJADAS.
Solo un representante del servicio técnico autorizado puede sustituir UN CABLE DE CONEXIÓN DE RED DAÑADO O UN CONECTOR DE RED DAÑADO. NO INTENTAR REPARAR UN CABLE DE CONEXIÓN DE RED.
PARA EVITAR UN CHOQUE ELÉCTRICO, no exponer el equipo a la lluvia. Almacenar en interiores.
UTILIZAR SOLO CONFORME A LAS RECOMENDACIONES DE ESTE MANUAL. Utilizar solamente con los accesorios recomendados.
Mantener alejado PELO, ROPA, SUCIEDAD SUELTA, DEDOS y todas partes del cuerpo de las aberturas y piezas móviles.
NO TAPAR O CERRAR LAS ABERTURAS. Mantener las aberturas libres de pelusas, pelos y polvo, así como todas las que obstaculiza el flujo de aire.
NO ASPIRAR NADA QUE ARDA, que se carbonice o genere humo, como cerillas, cigarrillos o llamas calientes.
NO ASPIRE MATERIALES COMBUSTIBLES O EXPLOSIVOS, tal como carbón de piedra, cereales (o su polvo) u otra sustancia fina y combustible.
NO ASPIRE MATERIALES COMBUSTIBLES, peligrosos, tóxicos o carcinógenos por ejemplo: gasolina, gasoil (petróleo para diesel), acetona, diluente para pintura, aceite combustible, ácidos y disolventes no diluidos, pesticidas y amianto (asbesto).
UTILIZAR EL FILTRO RECOMENDADO para aspirar material de yeso.
NO UTILIZAR SIN UN FILTRO correctamente colocado o una bolsa de polvo.
NO DEJAR UTILIZAR LA ASPIRADORA COMO UN JUGUETE. Mantener alejados a los niños de la aspiradora.
NO DEJAR SIN SUPERVISIÓN la aspiradora en funcionamiento.
NO UTILIZAR SI EL CABLE DE CONEXIÓN DE RED, EL CONECTOR DE RED, EL FILTRO O LA ASPIRADORA ESTÁN EN MAL ESTADO. El servicio de postventa autorizado debe comprobar una aspiradora que se haya caído, se haya dañado, se haya expuesto a determinadas condiciones climáticas o se haya caído al agua.
LLEVAR SIEMPRE GAFAS DE PROTECCIÓN al usar la aspiradora.
TENER ESPECIAL CUIDADO con las escaleras durante el uso.
ESTAR ATENTO. No utilizar la aspiradora cansado o bajo la influencia de drogas, alcohol o medicamentos.
No modifique el enchufe suministrado del aparato.
Mantenimiento de equipos con doble aislamiento
Los equipos con doble aislamiento están equipados con dos sistemas de aislamiento en lugar de la toma de tierra. En un equipo con doble aislamiento no hay ningún de protección de la puesta a tierra disponible y no se debe añadir ninguno al equipo. El mantenimiento de un dispositivo con doble aislamiento requiere especial cuidado y conocimiento del sistema, y solo puede realizarlo personal de mantenimiento cualificado. Los recambios para un equipo con doble aislamiento deben ser idénticos a las piezas que utiliza.
Antes de utilizar por primera vez el equipo, lea este manual de instrucciones y sígalo. Conserve el documento para su uso posterior o para futuros propietarios.
En caso de no respetar el manual de instrucciones o las instrucciones de seguridad, se pueden causar daños al equipo y crear peligros para el operario y otras personas.
Informe inmediatamente a su distribuidor si se han producido daños durante el transporte.
Compruebe si faltan accesorios en el contenido del paquete o si existen daños.
Los materiales de embalaje son reciclables. Eliminar los embalajes de forma respetuosa con el medioambiente.
Los equipos eléctricos y electrónicos contienen materiales reciclables y, a menudo, componentes, como baterías, acumuladores o aceite, que suponen un peligro potencial para la salud de las personas o el medio ambiente en caso de manipularse o eliminarse de forma inadecuada. Sin embargo, dichos componentes son necesarios para un funcionamiento adecuado del equipo. Los equipos identificados con este símbolo no pueden eliminarse con la basura doméstica.
Encontrará información actualizada sobre las sustancias contenidas en: www.kaercher.de/REACH
Aviso de un peligro inminente que produce lesiones corporales graves o la muerte.
Aviso de una posible situación peligrosa que puede producir lesiones corporales graves o la muerte.
Aviso de una posible situación peligrosa que puede producir lesiones corporales leves.
Aviso de una posible situación peligrosa que puede producir daños materiales.
Riesgos para la salud
Aspiración de polvos perjudiciales para la salud
No usar el equipo para la aspiración de polvos perjudiciales para la salud.Este aspirador en húmedo/seco está diseñado para eliminar la suciedad seca y los líquidos.
Este equipo es apto para el uso industrial, p. ej. en hoteles, escuelas, hospitales, fábricas, tiendas, oficinas y negocios de alquiler.

Desembale el equipo y monte los accesorios.

Peligro por entrada de polvo fino/agua
Peligro de daños en el motor de aspiración.
Asegúrese de que el filtro de cartucho esté siempre colocado cuando se aspire.Durante la aspiración del polvo fino, puede utilizarse de forma adicional una bolsa de filtro de papel.
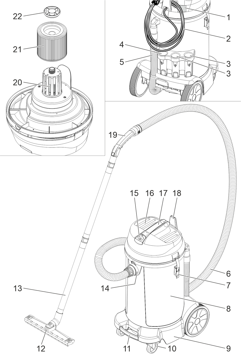
Desbloquear y retirar el cabezal de aspiración.
Inserte la bolsa de filtro de papel.


Colocar y cerrar el cabezal de aspiración.
Desmonte las tiras del cepillo.

Monte los labios de goma.
Para la aspiración de suciedad líquida siempre debe retirar la bolsa de filtro de papel.
Desbloquear y retirar el cabezal de aspiración.
Girar el cabezal de aspiración 180° y retirarlo.
Desenroscar la tuerca de fijación.
Retirar el filtro de cartucho.
Insertar y apretar la tuerca de fijación.

Montar el filtro para suciedad húmeda.
Colocar y cerrar el cabezal de aspiración.
Peligro por la entrada de agua
Peligro de daños en el motor de aspiración.
No retire nunca el filtro para suciedad húmeda durante la aspiración.Al finalizar la aspiración de suciedad líquida: Limpiar el flotador y el recipiente con un paño húmedo y secarlos.
El filtro para suciedad húmeda debe cambiarse por un filtro de cartucho, al realizar el cambio de la aspiración de suciedad líquida a la aspiración en seco.
La manguera de aspiración está equipada con la conexión de clip 2.0. Se pueden conectar todos los accesorios con ancho nominal DN 35 y conexión de clip 2.0.

Enchufar el conector de red.
Encender el equipo con el interruptor principal.
Realizar la limpieza.
El canal de aspiración está dotado de un flotador.
Cuando se alcanza el nivel máximo permitido de agua sucia en el recipiente, se interrumpe el flujo de aspiración.
Desconecte el equipo en el interruptor principal.
Vacíe el agua sucia mediante la manguera de desagüe.

Desconecte el equipo en el interruptor principal.
Desenchufe el conector de red.
Vacíe el recipiente de suciedad.
Limpie el interior y el exterior del equipo mediante aspiración y lavado con un paño húmedo.
Almacene el tubo de aspiración, la manguera de aspiración y el cable de red según se muestra en la figura.

Coloque el equipo en un espacio seco y protéjalo contra cualquier uso no autorizado.
Inobservancia del peso
Peligro de lesiones y daños
Tenga en cuenta el peso del equipo durante el transporte.Transporte el equipo como se muestra en la figura.

Al transportar el equipo en vehículos, asegúrelo para evitar que resbale y vuelque conforme a las directrices vigentes.
Inobservancia del peso
Peligro de lesiones y daños
Tenga en cuenta el peso del equipo para sualmacenamiento.El equipo solo se puede almacenar en interiores.
Peligro de choques eléctricos
Lesiones al tocar piezas que conducen corriente
Desconecte el equipo.Desconecte el conector de red.Desbloquear y retirar el cabezal de aspiración.
Gire el cabezal de aspiración 180° y retírelo.
Desenrosque la tuerca de fijación.
Retirar el filtro de cartucho.
Coloque el nuevo filtro de cartucho.
Inserte y apriete la tuerca de fijación.
Colocar y cerrar el cabezal de aspiración.
Peligro de choques eléctricos
Lesiones al tocar piezas que conducen corriente
Desconecte el equipo.Desconecte el conector de red.La turbina de aspiración no funciona
Solución:
Compruebe el enchufe y el fusible de la alimentación de corriente.
Comprobar el cable de red y el conector de red del equipo.
Conecte el equipo.
La turbina de aspiración funciona, pero el equipo no aspira
Causa:
El flotador cierra el canal de aspiración
Solución:
Vacíe el recipiente de suciedad.
La potencia de aspiración se reduce
Solución:
Elimine el atasco de la boquilla aspiradora, del tubo de aspiración, de la manguera de aspiración o del filtro de cartucho.
Cambie la bolsa de filtro de papel llena.
Cambie el filtro de cartucho.
Revise la estanqueidad de la manguera de desagüe.
Salida de polvo durante la aspiración
Solución:
Compruebe la correcta posición de montaje del filtro de cartucho.
Cambie el filtro de cartucho.
Si no se puede solventar el fallo, el Servicio de postventa debe comprobar el equipo.
La turbina de aspiración no funciona
Solución:
Compruebe el enchufe y el fusible de la alimentación de corriente.
Comprobar el cable de red y el conector de red del equipo.
Conecte el equipo.
La turbina de aspiración funciona, pero el equipo no aspira
Causa:
El flotador cierra el canal de aspiración
Solución:
Vacíe el recipiente de suciedad.
La potencia de aspiración se reduce
Solución:
Elimine el atasco de la boquilla aspiradora, del tubo de aspiración, de la manguera de aspiración o del filtro de cartucho.
Cambie la bolsa de filtro de papel llena.
Cambie el filtro de cartucho.
Revise la estanqueidad de la manguera de desagüe.
Salida de polvo durante la aspiración
Solución:
Compruebe la correcta posición de montaje del filtro de cartucho.
Cambie el filtro de cartucho.
En cada país se aplican las condiciones de garantía indicadas por nuestra compañía distribuidora autorizada. Subsanamos cualquier fallo en su equipo de forma gratuita dentro del plazo de garantía siempre que la causa se deba a un fallo de fabricación o material. En caso de garantía, póngase en contacto con su distribuidor o con el servicio de posventa autorizado más próximo presentando la factura de compra.
Puede consultar más información en: www.kaercher.com/dealersearch
Encontrará más información sobre la garantía (si está disponible) en el área de servicio de su página web local de Kärcher en "Downloads".
Utilice únicamente accesorios y repuestos originales, estos garantizan un servicio seguro y fiable del equipo.
Encontrará información sobre los accesorios y repuestos en www.kaercher.com.
Conexión eléctrica | |
Tensión de red | 120 V |
Fase | 1 ~ |
Frecuencia de red | 60 Hz |
Tipo de protección | IPX4 |
Clase de protección | II ![]() |
Corriente nominal | 10 A |
Datos de potencia del equipo | |
Contenido del Contenedor | 12.7 (48) gal (l) |
Volumen de llenado de líquido | 9.2 (35) gal (l) |
Volumen de aire (máx.) | 87 (41) CFM (l/s) |
Baja presión (máx.) | 2366 (23.2) mm (kPa) |
Volumen de aire (máx., motor de aspiración) | 150 (71) CFM (l/s) |
Baja presión (máx., motor de aspiración) | 2498 (24.5) mm (kPa) |
Peso y dimensiones | |
Peso de servicio típico | 22.5 (10.2) lbs (kg) |
Longitud x anchura x altura | 19.3 x 15.4 x 30.7 (490 x 390 x 780) in (mm) |
Diámetro de la manguera de aspiración | 1.38 (35) in (mm) |
Condiciones ambientales | |
Temperatura ambiente (máx.) | 104 (+40) °F (°C) |
Valores calculados conforme a EN 60335-2-69 | |
Nivel de presión acústica LpA | 72 dB(A) |
Inseguridad KpA | 1 dB(A) |
Cable de red | |
N.º del cable de red | SJTW-A 2/16 AWG |
Referencia (CUL) | 6.648-370.0 |
Longitud del cable | 25 (7.5) ft (m) |
