HD 6/15-4 MX Plus Classic HD 9/20-4 MX Plus Classic

97753110 (12/24)

97753110 (12/24)
Voordat u het apparaat voor het eerst gebruikt, dient u deze originele gebruiksaanwijzing en de meegeleverde veiligheidsinstructies door te lezen en deze in acht te nemen.
Bewaar beide documenten voor later gebruik of volgende eigenaars.
Gebruik deze hogedrukreiniger uitsluitend voor de volgende werkzaamheden:
Reinig machines, voertuigen, bouwwerken, werktuigen en gelijkaardige voorwerpen met de hogedrukstraal.
Bij hardnekkige verontreiniging bevelen wij een rotorsproeier als bijzondere toebehoren aan.
Bij HD...Plus is een rotorsproeier bij de leveringsomvang inbegrepen.
Verontreinigd water veroorzaakt vroegtijdige slijtage of afzettingen in het apparaat.
Gebruik het apparaat enkel met zuiver water of met recyclingwater dat de volgende grenswaarden niet overschrijdt:pH-waarde: 6,5...9,5
elektrisch geleidingsvermogen: Geleidingsvermogen van schoon water + 1200 µS/cm, maximaal geleidingsvermogen 2000 µS/cm
afzetbare stoffen (testvolume 1 l, afzettingstijd 30 minuten): < 0,5 mg/l
filtreerbare stoffen: < 50 mg/l, geen abrasieve stoffen
koolwaterstoffen: < 20 mg/l
chloride: < 300 mg/l
sulfaat: < 240 mg/l
calcium: < 200 mg/l
totale hardheid: < 28 °dH, < 50° TH, < 500 ppm (mg CaCO3/l)
ijzer: < 0,5 mg/l
mangaan: < 0,05 mg/l
koper: < 2 mg/l
actieve chloor: < 0,3 mg/l
vrij van onaangename geuren
De verpakkingsmaterialen zijn herbruikbaar. Verwijder verpakkingen op een milieuvriendelijke manier.
Elektrische en elektronische apparaten bevatten waardevolle recyclebare materialen en vaak bestanddelen zoals batterijen, accu's of olie, die bij onjuiste omgang of verkeerd afvalverwijdering een potentieel gevaar voor de gezondheid van de mens en voor het milieu kunnen vormen. Voor een correcte werking van het apparaat zijn deze bestanddelen echter noodzakelijk. Voer apparaten met dit symbool niet samen met het huisvuil af.
Actuele informatie over ingrediënten vindt u op: www.kaercher.de/REACH
Controleer de inhoud bij het uitpakken op volledigheid. Bij ontbrekend toebehoren of bij transportschade neemt u contact op met uw distributeur.
Lees voor de eerste inbedrijfstelling de veiligheidsinstructies 5.951-949.0.
Neem de nationale voorschriften voor vloeistofstraalreinigers in acht.
Neem de nationale voorschriften voor ongevallenpreventie in acht. Vloeibare vloeistofstraalreinigers moeten regelmatig worden getest. Het testresultaat moet schriftelijk worden vastgelegd.
Wijzig het apparaat of de accessoires niet.
*Bepaal de maximaal toelaatbare systeemimpedantie Zmax 0,025 Ω in de gebruiksaanwijzing van de apparatuur en instrueer de gebruikers om, indien nodig in overleg met de leverancier, te bepalen dat de apparatuur alleen wordt aangesloten op een voeding met die impedantie of minder.
Gevaar van letsels wegens ontbrekende of gewijzigde veiligheidsinrichtingen!
Veiligheidsinrichtingen zijn er om u te beschermen.
Veiligheidsinrichtingen mogen niet worden omzeild, verwijderd of buiten werking worden gesteld.De veiligheidssluiting op het hogedrukpistool voorkomt dat het apparaat per ongeluk wordt ingeschakeld.
Als het hogedrukpistool is gesloten, gaat de overstroomklep open en stroomt het volledige watervolume terug naar de zuigzijde van de pomp.
De overstroomklep wordt ingesteld door de fabrikant en dan verzegeld. Instellen wordt alleen uitgevoerd door de klantenservice.
![]() | Richt de hogedrukstraal niet op personen, dieren, onder spanning staande elektrische apparatuur of op het apparaat zelf. Bescherm het apparaat tegen vorst. |
![]() | Volgens de geldende voorschriften mag het apparaat nooit zonder systeemscheider op het drinkwaternet worden gebruikt. Zorg ervoor dat de aansluiting op uw huiswatersysteem waarmee de hogedrukreiniger wordt bediend, is voorzien van een systeemscheider volgens EN 12729 type BA. Water dat door een systeemscheider is gestroomd, geldt als niet-drinkbaar. Sluit de systeemscheider altijd aan op de waterinlaat en nooit rechtstreeks op het apparaat. |
![]() | WAARSCHUWINGDe hoge uitvoernelheid van de hogedrukwaterstraal resulteert in een hoog geluidsniveau dat ongemak of gehoorbeschadiging (bijv. oorsuizen) kan veroorzaken bij personen in de directe omgeving. Een constant hoog geluidsniveau kan leiden tot doofheid.
|
![]() | WAARSCHUWING
|

Gevaar voor letsel en elektrische schok
Laat alleen bevoegde technische specialisten de watertoevoer, elektrische aansluitingen en hogedruknetwerk installeren.Verpakkingsinhoud bij het uitpakken controleren.
Bij transportschade de dealer onmiddellijk op de hoogte brengen.
Bedieningselementen voor het reinigingsproces zijn geel.
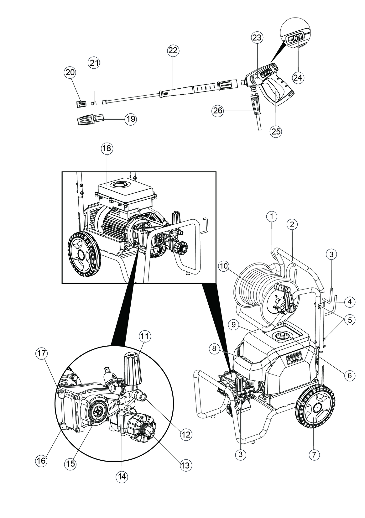
Steek de duwbeugel in de machine.

Gebruik bevestigingsmiddelen om de gaten van het onderste deel van de machine en de slanghaspel vast te maken.

Zet het hogere deel van de machine en de slanghaspel vast met vergrendelingen. Maak de vergrendelingen vast met bevestigingsmiddelen.

Bevestig de spuitkop op de spuitlans met het schroefverbindingsstuk.
Verbind de sproeipijp met het handspuitpistool.
Sluit de hogedrukslang aan op de wateruitlaat en het handspuitpistool.

Sluit de adapter aan op de waterinlaat.
Gezondheidsrisico door terugstromen van verontreinigd water in het drinkwaternet.
Neem de voorschriften van uw waterbedrijf in acht.Overeenkomstig de voorschriften mag het apparaat nooit zonder systeemscheider op het drinkwaternet worden gebruikt. Gebruik een systeemscheider van KÄRCHER of een andere systeemscheider conform EN 12729 Type BA. Water dat door een systeemscheider stroomt, geldt niet meer als drinkwater. Sluit de systeemscheider steeds aan op de watertoevoer, nooit direct op de wateraansluiting van het apparaat.
Watertoevoer controleren op toevoerdruk, aanvoertemperatuur en toevoerdebiet. Vereisten zie gedeelte "Technische gegevens".
Systeemscheider en wateraansluiting van het apparaat met een slang verbinden (minimale lengte 7,5 m, minimale diameter 1").
De toevoerslang is niet bij de leveringsomvang inbegrepen.
Watertoevoer openen.
Zuigslang (bestelnummer 4.440-207.0) en filter (bestelnummer 4.730-012.0) op de wateraansluiting schroeven.
Apparaat ontluchten.
Sproeier van de straalbuis afschroeven.
Apparaat laten lopen tot het water zonder bellen uitstroomt.
Bij ontluchtingsproblemen het apparaat 10 seconden laten lopen, dan uitschakelen. Het proces meermaals herhalen.
Apparaat uitschakelen.
Sproeier weer opschroeven.
Gevaar voor letsel en elektrische schok
Sluit het apparaat aan op het elektriciteitsnet met een stekker. Het is verboden om het apparaat permanente aan te sluiten op het elektriciteitsnet. De stekker dient om het apparaat af te koppelen van net.Raadpleeg het typeplaatje of de technische gegevens voor de aansluitgegevens.
Wikkel het netsnoer af en leg het op de grond.
Steek de stekker in het stopcontact.
Risico op letsel door de waterstraal onder hoge druk
Maak het handspuitpistool nooit vast in de ingeschakelde positie.Gebruik het hogedrukpistool niet als de veiligheidssluiting beschadigd is.Duw de veiligheidsgrendel van het hogedrukpistool telkens naar voren voordat u met het apparaat gaat werken.Het apparaat is uitgerust met een drukschakelaar. De motor start pas als het hogedrukpistool geopend is.
Houd de hogedrukslang uit de buurt van scherpe randen.
Servobesturing is verboden in de machine, omdat dit kan leiden tot hogere slijtage van de overstroom en schade kan veroorzaken.
Open de watertoevoer.
Zet de apparaatschakelaar op "I".
Open de veiligheidsvergrendeling van het hogedrukpistool.
Richt het hogedrukpistool op het te reinigen object.
Open het hogedrukpistool en start de reiniging.
Om reinigingsmiddel te gebruiken, is een schuimlans (optioneel) nodig.
Verwondingsgevaar door reinigingsmiddel.
Gezondheidsrisico door verkeerde omgang met reinigingsmiddelen.
Neem de veiligheidsinstructies op het reinigingsmiddel in acht.Beschadigingsgevaar door ongeschikte reinigingsmiddelen
Niet-geschikte reinigingsmiddelen kunnen schade veroorzaken aan het apparaat en aan het te reinigen voorwerp.
Gebruik alleen door KÄRCHER goedgekeurde reinigingsmiddelen.Neem de aanbevolen dosering en de bij het reinigingsmiddel meegeleverde instructies in acht.Gebruik niet te veel reinigingsmiddelen om het milieu niet overmatig te belasten.De reinigingsmiddelen van KÄRCHER staan garant voor een storingsvrije werking. Vraag ons gerust om advies, onze catalogus of onze informatiebladen over onze reinigingsmiddelen aan.
Vul de houder van de schuimlans met het reinigingsmiddel. (Volg de doseringsinstructies op de fles van het reinigingsmiddel.)
Het reinigingsmiddel spaarzaam op het droge oppervlak sproeien en laten inwerken (niet laten opdrogen).
Het losgeweekte vuil met de hogedrukstraal wegspoelen.
Laat de knop los en het apparaat schakelt uit.
Druk de knop in en het apparaat schakelt opnieuw in.
Sluit de waterinlaat af.
Open het hogedrukpistool.
Zet de apparaatschakelaar op "I" en laat het apparaat 5 tot 10 seconden draaien.
Sluit het hogedrukpistool.
Zet de apparaatschakelaar op "O/OFF".
Trek de stekker alleen uit het stopcontact als je handen droog zijn.
Koppel de waterinlaat los.
Open het hogedrukpistool totdat het apparaat volledig drukloos is.
Duw de veiligheidsvergrendeling naar voren om het handspuitpistool te vergrendelen.
Vorst kan het apparaat onherstelbaar beschadigen als het water niet volledig is afgetapt.
Bewaar het apparaat op een vorstvrije plaats.Als vorstvrij opbergen niet mogelijk is:
Water aftappen.
In de handel verkrijgbaar vorstbeschermingsmiddel door het apparaat pompen.
Apparaat maximaal 1 minuut laten lopen, tot de pomp en de leidingen leeg zijn.
In de handel verkrijgbaar vorstbeschermingsmiddel voor motorvoertuigen op glycolbasis gebruiken. De instructies van de fabrikant van het vorstbeschermingsmiddel in acht nemen.
Geeft een potentieel gevaarlijke situatie aan die, als deze niet wordt vermeden, kan leiden tot licht of gematigd letsel.
Duw de duwbeugel naar beneden en trek of duw het apparaat.
Beveilig het apparaat bij transport in voertuigen volgens de richtlijnen om uitglijden en kantelen te voorkomen.
Gevaar voor letsel, gevaar voor beschadiging.
Houd bij de opslag rekening met het gewicht van het apparaat.Berg het apparaat enkel in binnenruimten op.
Gevaar voor letsel door onbedoeld starten van het apparaat en elektrische schok.
Schakel het apparaat vóór alle werkzaamheden uit en trek het netsnoer uit.Met uw dealer kunt u een regelmatige veiligheidsinspectie vastleggen of een onderhoudscontract afsluiten. Vraag hierover advies.
de aansluitkabel op schade controleren; een beschadigde kabel onmiddellijk door de bevoegde klantenservice of een elektricien laten vervangen.
de hogedrukslang op beschadiging controleren; een beschadigde hogedrukslang onmiddellijk laten vervangen.
het apparaat op dichtheid controleren. 3 druppels water per minuut zijn toegestaan. Bij grotere lekkage contact opnemen met de klantenservice.
De zeef in de wateraansluiting reinigen.
Schroef het waterfilter los.
Trek de zeef eruit en maak hem schoon.


Zet de zeef terug op zijn plaats.
Schroef het waterfilter vast.

Onderhoud van het apparaat door de klantenservice laten uitvoeren.
Olie verversen.
Zie het gedeelte "Technische gegevens" voor het olievolume en -type.
Draai de olieaftapschroef los.
Giet de olie af in een opvangbak.
Wacht tot de olie volledig is afgetapt.
Plaats de olieaftapplug en draai deze vast. Koppel 7..,12 Nm.
Vul langzaam nieuwe olie bij en de luchtbellen moeten verdwijnen. Het oliepeil moet in het midden van de oliepeilvenster staan.
Plaats de olieavulplug en draai deze vast. Koppel 7..,12 Nm.
Gevaar voor letsel door onbedoeld starten van het apparaat en elektrische schok.
Schakel het apparaat vóór alle werkzaamheden uit en trek het netsnoer uit.Laat elektrische onderdelen alleen door de geautoriseerde klantenservice controleren en repareren.Neem bij storingen die niet in dit hoofdstuk worden vermeld, in geval van twijfel en indien u daartoe een uitdrukkelijke aanwijzing krijgt, contact op met de bevoegde klantenservice.Apparaat start niet
Oplossing:
Controleer de voedingskabel op beschadiging.
Controleer de netspanning.
Als het apparaat oververhit raakt:
Zet de apparaatschakelaar op "O".
Laat het apparaat minimaal 15 minuten afkoelen.
Zet de aan/uit-schakelaar op "I".
Reset de apparaatschakelaar.
Neem bij elektrische storingen contact op met de klantenservice.
Het apparaat bereikt niet de vereiste druk
Oplossing:
Controleer de grootte van de sproeier; voor de vereiste grootte zie hoofdstuk "Technische gegevens".
Ontlucht het apparaat, zie hoofdstuk "Apparaat ontluchten".
De zeef in de wateraansluiting reinigen.
Controleer de watertoevoerhoeveelheid; voor de vereiste grootte zie hoofdstuk "Technische gegevens".
Sproeier reinigen.
Neem indien nodig contact op met de klantenservice.
Pomp ondicht
Tot 3 druppels wateruitlaat per minuut zijn toegestaan.
Oplossing:
Laat bij grotere ondichtheid het apparaat door de klantenservice controleren.
Pomp klopt
Oplossing:
Controleer de watertoevoerleiding op dichtheid.
Ontlucht het apparaat, zie hoofdstuk "Apparaat ontluchten".
Neem indien nodig contact op met de klantenservice.
Toevoeging van reinigingsmiddel te weinig
Oplossing:
Reservoir van de schuimsproeier navullen.
Grotere kap op de zuigslang steken.
Zuigslang en schuimsproeier controleren op afzettingen van reinigingsmiddel. Afzettingen verwijderen met lauwwarm water.
Gebruik alleen origineel toebehoren en originele reserveonderdelen. Deze garanderen een veilige en storingsvrije werking van het apparaat.
Informatie over toebehoren en reserveonderdelen vindt u onder www.kaercher.com.
In elk land gelden de garantievoorwaarden die door onze verantwoordelijke verkoopmaatschappij zijn uitgegeven. Mogelijke storingen aan uw apparaat verhelpen we binnen de garantieperiode gratis, voor zover een materiaal- of fabricagefout de oorzaak is. Als u gebruik wilt maken van de garantie, neemt u met uw aankoopbon contact op met uw distributeur of de dichtstbijzijnde geautoriseerde klantenservice.
Meer informatie vindt u onder: www.kaercher.com/dealersearch
Meer informatie over de garantie (indien beschikbaar) vindt u in het servicegedeelte van uw lokale Kärcher-website onder "Downloads".
Elektrische aansluiting | |
Spanning | 220 - 240 |
Fase | 1 ~ |
Frequentie | 50 Hz |
Maximaal toegestane netimpedantie | 0,332 Ω |
Aansluitvermogen | 3,4 kW |
Beschermingsgraad | IPX5 |
Netbeveiliging (traag) | 15 A |
Verlengsnoer 30 m | 2,5 mm2 |
Wateraansluiting | |
Toevoerdruk (max.) | 1,0 (10) MPa (bar) |
Toevoertemperatuur (max.) | 60 °C |
Toevoerdebiet (min.) | 900 (15) l/h (l/min) |
Aanzuighoogte (max.) | 1,0 m |
Gegevens capaciteit apparaat | |
Sproeiergrootte van de standaardsproeier | 035 |
Opbrengst, water | 600 (10) l/h (l/min) |
Opbrengst maximaal | 650 (10,8) l/min |
Bedrijfsdruk | 3,5 (35)...15 (150) MPa (bar) |
Bedrijfsoverdruk (max.) | 19 (190) MPa (bar) |
Reactiekracht van het hogedrukpistool | 29 N |
Afmetingen en gewichten | |
Gewicht | 52 kg |
Lengte x breedte x hoogte | 740x528x952 mm |
Hoeveelheid olie | 430 ml |
Type olie | 15W40 |
Berekende waarden conform EN 60335-2-79 | |
Hand-arm-vibratiewaarde | 1,92 m/s2 |
Onzekerheid K | 0,3 m/s2 |
Geluidsdrukniveau LpA | 75,3 dB(A) |
Onzekerheid KpA | 2,5 dB(A) |
Geluidsvermogensniveau LWA + onzekerheid KWA | 91 dB(A) |
Elektrische aansluiting | |
Spanning | 380 - 415 |
Fase | 3 ~ |
Frequentie | 50 Hz |
Maximaal toegestane netimpedantie | 0,238 Ω |
Aansluitvermogen | 6,5 kW |
Beschermingsgraad | IPX5 |
Netbeveiliging (traag) | 16 A |
Verlengsnoer 30 m | 2,5 mm2 |
Wateraansluiting | |
Toevoerdruk (max.) | 1,0 (10) MPa (bar) |
Toevoertemperatuur (max.) | 60 °C |
Toevoerdebiet (min.) | 1200 (20) l/h (l/min) |
Aanzuighoogte (max.) | 1,0 m |
Gegevens capaciteit apparaat | |
Sproeiergrootte van de standaardsproeier | 047 |
Opbrengst, water | 900 (15) l/h (l/min) |
Opbrengst maximaal | 950 (15,8) l/min |
Bedrijfsdruk | 3,5 (35)...20 (200) MPa (bar) |
Bedrijfsoverdruk (max.) | 24 (240) MPa (bar) |
Reactiekracht van het hogedrukpistool | 50 N |
Afmetingen en gewichten | |
Gewicht | 72 kg |
Lengte x breedte x hoogte | 740x528x952 mm |
Hoeveelheid olie | 580 ml |
Type olie | 15W40 |
Berekende waarden conform EN 60335-2-79 | |
Hand-arm-vibratiewaarde | 1,92 m/s2 |
Onzekerheid K | 0,3 m/s2 |
Geluidsdrukniveau LpA | 74,3 dB(A) |
Onzekerheid KpA | 2,5 dB(A) |
Geluidsvermogensniveau LWA + onzekerheid KWA | 90,1 dB(A) |
Hiermee verklaren wij dat de hierna vermelde machine op basis van het ontwerp en type en in de door ons op de markt gebrachte uitvoering voldoet aan de relevante veiligheids- en gezondheidsvereisten van de EU-richtlijnen. Bij een niet door ons goedgekeurde wijziging van de machine verliest deze verklaring zijn geldigheid.
Product: Hogedrukreiniger
Type: 1.367-xxx
Relevante EU-richtlijnen2006/42/EG (+2009/127/EG)
2011/65/EU
2014/30/EU
2000/14/EG
2009/125/EG
Toegepaste bepaling(en)(EU) 2019/1781
Toegepaste geharmoniseerde normenEN 60335-1
EN 60335-2-79
EN IEC 63000: 2018
EN 55014-1: 2017 + A11: 2020
EN 55014-2: 1997 + A1: 2001 + A2: 2008
EN 61000-3-2: 2014
EN 61000-3-3: 2013
EN 62233: 2008
Toegepaste nationale normen-
Toegepaste conformiteitswaarderingsprocedure2000/14/EG: Bijlage V
Geluidsvermogensniveau dB(A)HD 6/15-4 MX Plus Classic
Gemeten: 89
Gegarandeerd: 91
HD 9/20-4 MX Plus Classic
Gemeten: 88
Gegarandeerd: 91
Gemeten:
Gegarandeerd:
Gemeten:
Gegarandeerd:
Gemeten:
Gegarandeerd:
De ondergetekenden handelen in opdracht en met volmacht van de directie.

Gevolmachtigde voor de documentatie:
S. Reiser
Alfred Kärcher SE & Co. KG
Alfred-Kärcher-Str. 28 - 40
71364 Winnenden (Germany)
Tel.: +49 7195 14-0
Fax: +49 7195 14-2212
Winnenden, /11/01
