HD 6/15-4 MX Plus Classic HD 9/20-4 MX Plus Classic

97753110 (09/25)

97753110 (09/25)
在您第一次使用设备之前,请先阅读本操作说明书原件和所附的安全提示,并遵守。
为日后使用或其他所有者使用方便请妥善保管两份手册。
仅为以下工作使用该高压清洗机:
用高压水束清洁机器、车辆、建筑物、工具和类似物品。
对于顽固的污垢,我们建议使用转子喷嘴特殊配件。
对于 HD...Plus,交货范围含有一个转子喷嘴。
脏污的水将导致提前磨损或在设备中沉积。
只给设备供应不超出以下极限值的净水或循环水:pH 值:6.5...9.5
电导率:新鲜水的电导率 + 1200 µS/cm,最大电导率 2000 µS/cm
可沉物质(样本体积 1 升,沉降时间 30 分钟):< 0.5 mg/l
可过滤的物质:< 50 mg/l,无磨蚀性物质
碳氢化合物:< 20 mg/l
氯化物:< 300 mg/l
硫酸盐:< 240 mg/l
钙:< 200 mg/l
总硬度:< 28 °dH, < 50° TH, < 500 ppm (mg CaCO3/l)
铁:< 0.5 mg/l
锰:< 0.05 mg/l
铜:< 2 mg/l
活性氯:< 0.3 mg/l
无异味
包装材料可以回收利用。请按照环保要求处理包装。
电气和电子设备含有宝贵的可再利用的材料以及诸如电池、电池包或油等若使用不当或处理错误会对人体健康和环境造成潜在性危险的组成部分。为了设备按规定运行,需要这些组件。用符号标记的设备不得与生活垃圾一同处理。
最新的内部材料信息请您在如下链接中查找:www.kaercher.com/REACH
打开包装时请检查产品是否齐全。附件缺失或运输损坏时,请通知您的经销商。
在初次启动之前,请务必阅读安全说明 5.951-949.0。
遵守各自适用于液体喷射清洗机的国家法规。
遵守适用于所在国的事故预防措施规定。液体喷射清洗机必须定期测试。测试结果必须以书面形式记录。
请勿修改设备及配件。
*确定设备使用说明书中最大允许的系统阻抗 Zmax 0.025 Ω,并指导用户在必要时与供电机构协商确定设备仅连接到该阻抗或更小阻抗的电源。
安全装置缺失或被改动有致伤危险!
安全装置用于保护您的安全。
不要避开、移除安全装置或使其失效。高压枪上的安全锁可防止设备意外开启。
如果高压喷枪关闭,溢流阀打开,全部水量将流回泵吸入侧。
溢流阀由制造商设置并密封。只能由客户服务部进行设置。
![]() | 请勿将高压射流对准人、动物、带电电气设备或设备本身。 保护设备免受霜冻。 |
![]() | 根据有效的使用说明规定,该设备在没有系统分离器的情况下不能在饮用水网上使用。确保高压清洗机的家庭供水系统连接配备了符合 EN 12729 BA 型的系统分离器。流经系统分离器的水被归类为不可饮用的水。始终将系统分离器连接至进水口,切勿直接连接至设备。 |
![]() | 警告高压水射流的喷嘴出口速度很高,会导致高噪音水平,可能会使附近的人感到不适或听力受损(例如耳鸣)。持续的高噪音水平可能导致耳聋。
|
![]() | 警告
|

有触电受伤的危险
仅允许授权的技术专家安装供水、电气连接和高压网络。在拆除包装时检查包装内的物品。
如有运输损坏,立即通知经销商。
首次使用机器前务必将红色注油口堵头更换为黑色呼吸阀。

用于清洁过程的操作元件为黄色。
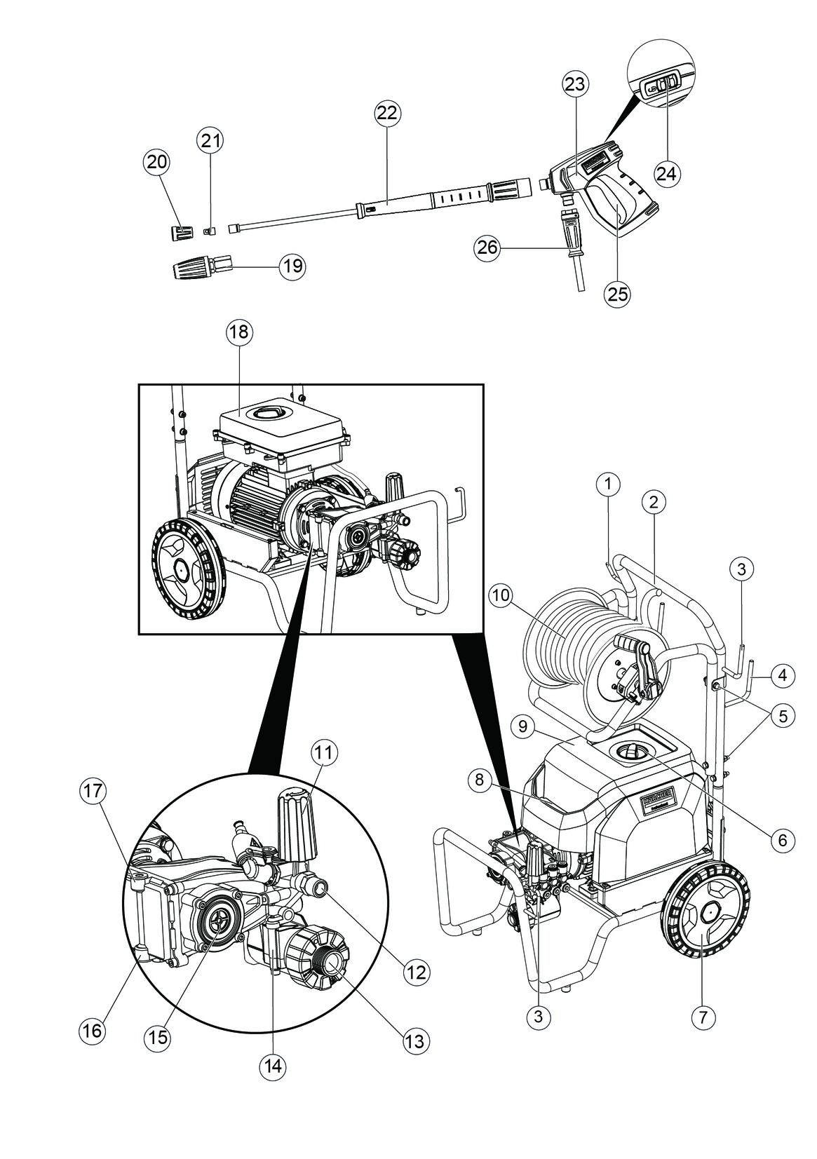
将推杆插入机器。

使用紧固件固定机器下部的孔和软管卷盘。

用锁具固定机器的上部和软管卷盘。用紧固件固定锁具。

用螺纹连接件将喷嘴固定在喷杆上。
将喷杆连接到扳机枪上。
将高压软管连接到出水口和扳机枪上。

将适配器连接到进水口上。
脏污的水流回到饮用水网中有健康危险。
请注意自来水公司的各项规定。根据现行规定,在无系统分离装置的情况下绝不允许在饮用水网上运行设备。使用 KÄRCHER 的系统分离装置或符合 EN 12729 类型 BA 的系统分离装置。流经系统分离装置的水为不可饮用水。始终将系统分离装置连接在水源上,绝不能直接连接在设备的水接口上。
检查水源的进水压力、进水温度和进水量。要求请见“技术数据”一节。
用软管连接系统分离装置和水接口(最小长度 7.5 m,最小直径 1”)。
进水软管不包含在交货范围内。
打开进水管。
用螺栓在水接口上连接抽吸软管(订货号 4.440-207.0)和过滤器(订货号 4.730-012.0)。
给设备排气。
从喷射管上拧下喷嘴。
让设备运行,直到流出的水无气泡。
在有排气问题时,让设备运行 10 秒,然后关闭。再次重复该过程。
关闭设备。
重新拧上喷嘴。
有触电受伤的风险
使用插头将设备连接到电网。禁止与电网永久连接。插头用于断开与电源的连接。有关连接数据,请参见铭牌或技术数据。
解开电源线并将其放在地上。
将电源插头插入插座。
高压水射流有造成伤害的风险
切勿将扳机固定在启动位置。当安全锁损坏时,请勿使用高压枪。每次开始使用设备之前,都要将高压枪的安全锁向前推。该设备配有一个压力开关。只有当高压枪打开时,电机才会启动。
高压软管应远离锋利的边缘。
机器中禁止使用伺服控制,因为这可能导致溢流阀磨损加剧并造成损坏。
打开供水。
将设备开关拨至“I”。
打开高压枪的安全锁。
将高压枪对准要清洁的物体。
打开高压枪,开始清洁操作。
使用洗涤剂运行时需要泡沫枪(可选)。
清洁剂可能会造成受伤风险
清洁剂使用不当可能会导致健康风险。
请遵守清洁剂上的安全提示。使用不合适的清洁剂可能会导致损坏风险
使用不合适的清洁剂可能会损坏设备和清洁对象。
只使用 KÄRCHER 许用的清洁剂。请遵循清洁剂附带的剂量建议和说明。为了保护环境,尽量少使用清洁剂。KÄRCHER 洗涤剂可确保无故障运行。请随时联系我们,获取咨询、产品目录或洗涤剂信息表。
将洗涤剂装入泡沫枪的容器中。(按照洗涤剂瓶上的用量说明进行操作。)
将少量清洁剂喷射到干燥的表面上并让其起作用(防止其变干)。
用高压射流冲洗溶解的污垢。
松开扳机,设备将关闭。
扣动扳机,设备将再次开启。
关闭进水口。
打开高压枪。
将设备开关拨至“I”,让设备运行 5 到 10 秒。
关闭高压枪。
将设备开关转至“O/关闭”。
只有在双手干燥时才将电源插头从插座中拔出。
断开进水口。
打开高压枪,直到设备完全减压。
向前推安全锁,锁定扳机枪。
霜冻将毁坏水未完全排空的设备。
将设备保管在无霜冻的地方。如果无法无霜冻地进行存放:
排水。
通过设备泵抽通用的防冻剂。
让设备最长运行 1 分钟,直至泵和管道排空。
使用用于机动车的、通用的乙二醇基防冻剂。注意防冻剂制造商的使用规定。
表示潜在的危险情况,如果不加以避免,可能会导致轻微或中度伤害。
将推杆向下按,然后拉动或推动设备。
用车辆运输时,根据现行准则固定设备以防滑动和倾翻。
受伤危险,损坏危险。
存放时注意设备的重量。只在室内存放设备。
设备意外起动和触点有受伤危险。
在任何作业之前关闭设备并拔下电源插头。可以与您的经销商协议定期的安全检查或签订保养合同。请与我们协商。
检查连接线是否损坏,立即让获得授权的客服或电工更换损坏的电缆。
检查高压软管是否损坏,立即更换损坏的高压软管。
检查设备是否密封。每分钟 3 滴水是允许的。在不密封性更严重时,请联系客服。
清洗水接口中的滤网。
拧下水过滤器。
拉出并清洁滤网。


将滤网放回原处。
拧上水过滤器。

让客服进行设备的保养。
换油。
有关油量和类型,请参见“技术数据”部分
拧下放油塞和加油塞。
将油排入收集盆中。
等到油完全排尽。
拧上放油塞并拧紧。扭矩 7-12 Nm。
慢慢加注新油,气泡应该消失。油位必须位于油位窗的中央。
拧上加油塞并拧紧。扭矩 7-12 Nm。
设备意外启动和触电有受伤危险。
在任何作业之前关闭设备并拔下电源插头。只让获得授权的客服检查和修理电气部件。在出现本章中未列出的故障时、在有疑问时和在有明确提示时,请联系获得授权的客服。设备无法启动
排除故障:
检查电源线是否损坏。
检查电源电压。
如果设备过热:
将设备开关拨至“O”。
让设备冷却至少 15 分钟。
将设备开关拨至“I”。
复位设备开关。
如果出现电气故障,请联系客户服务部门。
设备不会产生压力
排除故障:
检查喷嘴的大小,所需的大小请见“技术数据”一章。
给设备排气,见“给设备排气”一章。
清洗水接口中的滤网。
检查进水量,所需的水量请见“技术数据”一章。
清洗喷嘴。
需要时,请联系客服。
泵不密封
每分钟最多流出 3 滴水是允许的。
排除故障:
在不密封性更严重时,让客服检查设备。
泵爆震
排除故障:
检查进水管是否密封。
给设备排气,见“给设备排气”一章。
在需要时,请联系客服。
清洁剂混合量过少
排除故障:
加注泡沫喷嘴的料斗。
将更大的挡板插到抽吸软管上。
检查抽吸软管和泡沫喷嘴是否沉积了清洁剂。用温水清除沉积。
只允许使用原厂附件和备件,它们可以确保设备安全无故障地运行。
关于附件和备件的信息参见 www.kaercher.com。
在每个国家,适用由我们的主管销售公司发布的质量保证条款。在质量保证期内,如果您的产品发生了任何故障,我们都将为您提供免费维修,但是这种故障应当是由于机身材料或制造上的缺陷造成的。如属质量保证情况,请凭发票联系贵方经销商或就近联系获得授权的客户服务点。
欲了解更多信息,请访问: www.kaercher.com/dealersearch
更多的质量保证信息(如果有)可以在您当地 Kärcher 网站服务区的“下载”下找到。
电源连接 | |
电压 | 220 - 240 |
相位 | 1 ~ |
频率 | 50 Hz |
允许的最大电源阻抗 | 0.332 Ω |
连接功率 | 3.4 kW |
防护类型 | IPX5 |
电源保险丝(慢熔型) | 15 A |
延长线 30 m | 2.5 mm2 |
水接头 | |
进水压力(最高) | 1.0 (10) MPa (bar) |
进水温度(最高) | 60 °C |
进水量(最小) | 900 (15) l/h (l/min) |
抽吸高度(最高) | 1.0 m |
设备性能 | |
标准喷嘴的大小 | 035 |
输送量,水 | 600 (10) l/h (l/min) |
最大输送量 | 650 (10.8) l/min |
工作压力 | 3.5 (35)...15 (150) MPa (bar) |
工作压力(最高) | 19 (190) MPa (bar) |
高压喷枪的后坐力 | 29 N |
尺寸和重量 | |
重量 | 52 kg |
长 x 宽 x 高 | 740x528x952 mm |
油量 | 430 ml |
油种类 | 15W40 |
根据 EN 60335-2-79 标准测得的数值 | |
手臂振动值 | 1.92 m/s2 |
不确定度 K | 0.3 m/s2 |
声压级 LpA | 75.3 dB(A) |
不确定度 KpA | 2.5 dB(A) |
声功率级 LWA + 不确定度 KWA | 91 dB(A) |
电源连接 | |
电压 | 380 - 415 |
相位 | 3 ~ |
频率 | 50 Hz |
允许的最大电源阻抗 | 0.238 Ω |
连接功率 | 6.5 kW |
防护类型 | IPX5 |
电源保险丝(慢熔型) | 16 A |
延长线 30 m | 2.5 mm2 |
水接头 | |
进水压力(最高) | 1.0 (10) MPa (bar) |
进水温度(最高) | 60 °C |
进水量(最小) | 1200 (20) l/h (l/min) |
抽吸高度(最高) | 1.0 m |
设备性能 | |
标准喷嘴的大小 | 047 |
输送量,水 | 900 (15) l/h (l/min) |
最大输送量 | 950 (15.8) l/min |
工作压力 | 3.5 (35)...20 (200) MPa (bar) |
工作压力(最高) | 24 (240) MPa (bar) |
高压喷枪的后坐力 | 50 N |
尺寸和重量 | |
重量 | 72 kg |
长 x 宽 x 高 | 740x528x952 mm |
油量 | 580 ml |
油种类 | 15W40 |
根据 EN 60335-2-79 标准测得的数值 | |
手臂振动值 | 1.92 m/s2 |
不确定度 K | 0.3 m/s2 |
声压级 LpA | 74.3 dB(A) |
不确定度 KpA | 2.5 dB(A) |
声功率级 LWA + 不确定度 KWA | 90.1 dB(A) |
我们在此声明,基于其设计和结构以及我们投入市场的款型,下述机器满足欧盟指令的相关基本安全健康要求。如果在没有与我方协商的情况下更改机器,本声明失效。
产品:高压清洗机
类型: 1.367-xxx
相关的欧盟指令2006/42/EC (+2009/127/EC)
2011/65/EU
2014/30/EU
2000/14/EC
2009/125/EC
应用法规(欧盟)2019/1781
应用的协调标准EN 60335-1
EN 60335-2-79
EN IEC 63000: 2018
EN 55014-1: 2017 + A11: 2020
EN 55014-2: 1997 + A1: 2001 + A2: 2008
EN 61000-3-2: 2014
EN 61000-3-3: 2013
EN 62233: 2008
适用的国家标准-
应用的一致性评估方法2000/14/EC:附录 V
声功率级 dB(A)HD 6/15-4 MX Plus Classic
测得的: 89
确保的: 91
HD 9/20-4 MX Plus Classic
测得的: 88
确保的: 91
测得的:
确保的:
测得的:
确保的:
测得的:
确保的:
签署人受董事会的委托并且全权处理相关事宜。

文档全权代表:
S. Reiser
Alfred Kärcher SE & Co. KG
Alfred-Kärcher-Str. 28 - 40
71364 Winnenden (德国)
电话:+49 7195 14-0
传真:+49 7195 14-2212
Winnenden, /11/01
